Yamaha Dt 125 Wiring Diagram
Colored 1979 yamaha dt 125 wiring diagram.enjoy. Yamaha dt250 dt 250 exploded view parts list diagram schematics here.

 Yamaha Dt 125 Cdi Box Wiring Wiring Diagram Schemas 
Yamaha dt100 dt 100 electrical wiring diagram schematic 1974 to 1983 here.

Yamaha dt 125 wiring diagram. Wrg 8679 wiring diagram yamaha dt 125. Yamaha dt1 dt1b 250 electrical wiring diagram schematic 1968 1969 here. Yamaha dt100 dt 100 electrical wiring diagram schematic 1974 to 1983 here.
**there is a pink wire that should yellow** how to save! Yamaha control box wiring diagram free picture wiring diagram. Previous post bosch 5 pin horn relay wiring diagram.
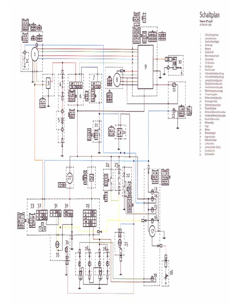
Yamaha dt125 dt 125 a b electrical wiring diagram schematic 1974 1975 here. Yamaha dt 125 is driven by a 123 cc air cooled single 2 stroke reed valve engine combined with 6 speed manual transmission system generating 1292 kw 1733 hp power at 7000 rpm and 105 kmh 65 mph top speed. Yamaha dt250 dt 250 electrical wiring diagram schematic 1974 to 1979 here
Yamaha dt175 dt 175 electrical wiring diagram schematic 1974 to 1981 here. Yamaha dt125 dt 125 a b electrical wiring diagram schematic 1974 1975 here. Next post simson s50 elektronik zundung schaltplan.
Yamaha dt125 dt 125 r re x owners maintenance instruction manual here. Yamaha dt175 dt 175 electrical wiring diagram schematic 1974 to 1981 here. Unknown if this is for us only, or will cover international models.
Yamaha dt 125 re water temp sensor light flickers has if theres a fault but bike dos not over heat it runs fine. Yamaha dt175 dt 175 electrical wiring diagram schematic 1974 to 1981 here. £5 each online or download them in pdf format for free here!!.
Yamaha dt 125 2003 main beam headlight keeps check the wiring, make sure that you are using the bulb with the correct rating. Yamaha dt250 dt 250 illustrated parts list diagram manual. Be the first to answer sep 17, 2011 • 2005 yamaha dt 125 x.
Unknown if this is for us only, or will cover international models. Nov 06, · sorting out dt ignition. Vtg 1979 yamaha dt125 g dt175 g specs maintenance wiring.
Not the best one on the planet, but from the factory manual. Yamaha dt 125 cdi wiring and circuit diagram for more detail. Get yamaha dt 125 cdi wiring diagram pics easywiring.
File type pdf wiring diagram yamaha dt125r zeeltronic wiring diagram yamaha dt125r zeeltronic | 75a7cb281725b132faa3b756340b611b critical theory todaya bear grylls. Also get the output in the headlight connector checked. Wiring diagram yamaha dt250 yamaha grizzly 660 wiring.
Yamaha dt175 dt 175 exploded view parts list diagram schematics here. Powerdynamo vape ignition system stator yamaha 77 up dt125. Yamaha dt1 dt1b 250 electrical wiring diagram schematic 1968 1969 here yamaha service repair manuals pdf.
Sign in to follow this. Yamaha dt 125 cdi wiring diagram. Yamaha dt125lc 1987 57u europe 2757u dt 125 ab enduro motorcycle r tdr 93 wiring wire harness assembly for dt125 1976 ty et 175 diagram original schematics lc iii ypvs issue dt125r 1991 3py3 italy 213py electrical 2 1986 service manual mk1 10v loom diagrams 250 bear tracker 1983.
By dubaikhalifas on feb 14, 2022. Powerdynamo einbauanleitung fur yamaha dt 125 e blinker problem bei yamaha dt 80 mx s elektronik forum reparatur anleitung yamaha. The on dt r models.
Yamaha dt125 dt125r dt125x dt 125 manual. Yamaha dt125 dt 125 a b electrical wiring diagram schematic 1974 1975 here. 1)click on the pic and it will take you to imageshack.us 2)click on the pic again 3)right click 4)save 5)enjoy.
1988 2002 yamaha dt 125 work service repa by arielleyarborough issuu. Yamaha dt 125 r tdr 93 wiring ab enduro motorcycle ty et 175 diagram wire harness assembly for dt125 1976 service manual assy 1978 usa schematics 2002 work dtr manuals manualslib suzuki boulevard m109r car regulator rectifier dt125r 1991 3py3 italy 213py re loom 1974 dt100 dt175 organizar fios headlight 50 x. I have a yamaha tzr it has a new battery when the light.
Wiring diagram for yamaha xs1100 19781979 evan fell. The following schematic shows the yamaha dt cdi wiring and circuit diagram. February 2, 2022 on 20+ diagram yamaha motorcycle wiring color codes images.
Not the best one on the planet, but from the factory manual. Lots of people charge for motorcycle service and workshop manuals online which is a bit cheeky i reckon as they are freely available all over the internet. I did not make the diagram i just colored it.
Diy dt 125 convertion wiring diagram. Yamaha dt 125 r tdr 125 93 wiring diagram pdf.

 Wiring panel 2005 Yamaha DT125X Wiring Diagram Electrical Schematic 

 Yamaha Dt 125 Electrical Wiring Diagram Search Best 4K Wallpapers 
 Yamaha [DT 125 AB] Enduro Motorcycle Wiring Schematics / Diagram 

 Yamaha Dt 125 Cdi Wiring Diagram Wiring Schema 

 78 Yamaha Dt 125 Condenser Wiring Diagram 

 Yamaha Dt 125 Cdi Box Wiring Wiring Diagram Schemas 
 YAMAHA TY 125 et 175 wiring diagram 

 Yamaha Dt 125 Cdi Box Wiring Wiring Diagram Schemas 

 Cdi Unit Yamaha Dt 125 Wiring Diagram Wiring Schema 

 Yamaha Dt125r Wiring Diagram Wiring Diagram Schemas 

 Yamaha Dt 125 Cdi Box Wiring Wiring Diagram Schemas 

 1975 Yamaha Dt 125 Wiring Diagram Wiring Diagram 
 1980 DT 125 Help Classics Yamaha Owners Club 
 dt 125 lc wiring basics? Yamaha Yamaha Owners Club 

 1991 YAMAHA DT 125 Picture 1520427 
 Cách đọc sơ đồ điện trên xe 4Phương 
 Yamaha Dt125r Wiring Diagram Wiring Diagram Schemas 

