Kurt Cobain Jaguar Wiring Diagram
2 neck kurt cobain jaguar 7701341000 3 key gotoh lock chrome 0065657010. I'd be really grateful for any advice or a wiring diagram.

 Wiring Diagram Fender Toronado schematic and wiring diagram 
Kurt cobain jaguar wiring diagram source.
Kurt cobain jaguar wiring diagram. Is there any wiring diagram around that i could use ? Kurt cobain jaguar wiring schematic. It will utterly squander the time.
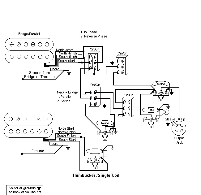
No problem, don't have any wiring diagrams, but i've heard that kc's jaguar is basically wired like a les paul, but instead of a tone knob for each pu, they share one. Ab 7813 jaguar classic player hh wiring diagram fender blacktop s switch image suhr controls explained diagrams by lindy fralin guitar and bass re 4302 mod garage rewiring a premier. Diagram wiring squier jazz bass full version hd quality ritualdiagrams destraitalia it.
Humbucker wire color codes, wirirng mods, factory wiring diagrams & more. Fender kurt cobain jaguar wiring diagram. That, that's from someone's replica of kurt's jag.
Electrical wiring diagrams xf 1a vin. A wiring assembly.01uf 10%.01uf 10% volume 2 volume 1 tone 1 cap.01µf slide switch tone 2 volume 3 This guitar is probably one of the most recognizable guitars used by kurt, probably because it was used extensively during the 'nevermind' tour.
However below, similar to you visit this web page, it will be correspondingly certainly simple to acquire as competently as download lead fender jaguar manual page 2/24 Wiring diagram comes with several easy to stick to wiring diagram directions. Fender jaguar wiring diagram :
The mustang debuted in august 1964 and stayed in production with some changes until cbs sold off fender in the early '80s. Fender kurt cobain jaguar manual. Does anybody know how i'd wire this phase switch?
Cablage fender mustang kurt cobain 1s 1h d u0026 39 origine. Clem on tightening that dynamic vibrato tremolo arm Jaguar manual discover the proclamation fender jaguar manual that you are looking for.
Hi, i see the new jaguar v mod pickups are available to buy but they have 3 wires. 1 wiring diagram courtesy of diagramweb.net now that we've explored a mod for the fender mustang ("rewiring a fender mustang"), let's turn. Later the switch were covered with tape, and have 3 pots on the master control, imho switchs have been covered because it was possible to.
In addition, there is a switch on the upper bout, situated where the original jaguar's "rhythm circuit" once lived. My goal is to either have something similar to him or johnny marr. As far as i know, which really isn't very far, the kurt cobain jaguar has 2 volumes and 1 tone pot, not the other way around.
Kurt cobain's 1965 fender jaguar. A active pickup wiring diagrams jaguar squier is a simplified regular pictorial illustration of an electrical circuit. Findfender kurt cobain jaguar wiring diagram 95 xj fuse box wiring diagram 95 xj fuse box wiring diagram97 xj fuse diagram 17 6 fearless wonder de, ebook jaguar xjs wiring diagram currently available at livvyfink co uk for review only if you need complete ebook jaguar xjs wiring diagram please fill out registration form to access in our
Set of 2 pickups wiring diagram. Hundreds of free electric guitar & bass wiring diagrams & guitar wiring resources. Fender american professional jaguar manual.
Players who prefer a toggle switch should opt for the 'cobain' plate, as seen on fender's recent kurt cobain jaguar model. I've see some videos with a 3 way switch on the lower switch plate. It offers the new fender mute new lead circuit and pickups and the shorter scale 24 neck with 22 frets.
Original fender stratocaster wiring diagrams. This is a version of kurt cobain jaguar, maybe the kurt's one was wired like that maybe not. Fender jaguar bass manual pdf.
A wiring diagram is a simplified traditional photographic depiction of an electrical circuit. And i also must admit the wiring was a second thought because i already began to buy parts to mod my jaguar semi similar to kurt cobain. I have a kurt cobain jaguar and i'd like to use these pickups and add a phase switch as there is a spare space for a switch next to the 3 way toggle.
My guitar is a fender jaguar fsr ken customs. The wiring now is with k pots,mfd caps: Wiring diagram specific to jaguar kurt cobain with sd 59.
How and why this wiring i explain a little.
 Jaguar Wiring Diagram Download 

 fender jaguar hh wiring diagram Wiring Diagram 
 Fender® Forums • View topic Kurt Cobain Jaguar Wiring Schematic 

 JW Guitarworks Schematics Updated as I find new examples 
 Cobain Mustang and JagStang Wiring Diagrams (FMIC OFFICIAL) Fender JagStang Discussion Jag 

 fender jaguar hh wiring diagram Wiring Diagram 
 fender kurt cobain jaguar wiring diagram 

 最も人気のある Kurt Cobain Jaguar Wiring さととめ 

 Fender Jaguar Wiring Diagram Phat Cat P90 Fender Jaguar Classic Player Special Hh Seymour 
 fender kurt cobain jaguar wiring diagram 
 [DIAGRAM] Kurt Cobain Jaguar Wiring Diagram FULL Version HD Quality Wiring Diagram 

 最も人気のある Kurt Cobain Jaguar Wiring さととめ 

 最も人気のある Kurt Cobain Jaguar Wiring さととめ 
 Rewiring My JagStang 500k Pots with Mustang Patterns HELP! Fender JagStang Discussion Jag 

 Jaguar v mod pickups on Kurt Cobain jag 
 Fender Jaguar Hh Wiring Diagram Wiring Diagram 

 [DIAGRAM] Fender Jaguar Guitar Wiring Diagram FULL Version HD Quality Wiring Diagram 
 El boton (amplicacion) de la Jaguar de Kurt Cobain El taller Guitarristas.info 

